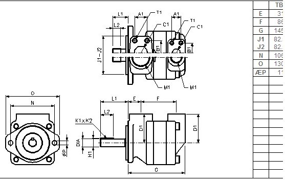
DENISON丹尼遜TB系列
美***丹尼遜DENISON詳細說明




美***丹尼遜DENISON型號大全
T6C-006-1R00-C1
葉片泵 T6ED-052-048-1R03-B1-J224
T6E-045-2R00-C1
T6CC-028-005-5LOO
021-06943-0 P7W1R1BM00B0
P8W-2R1A-L10-00
PV15-1R1D-C02-000
單葉片泵的型號如下:
P8W-1R1A-C00-00
PVT291R1DC04CC0 029-80832-0
PV20-1L5D-L02
P8W-1L1B-L10-00
T6DC-045-025-3L00
PV20-2L1D-C02
P8W-1L1A-L00-00
T6DC-017-006-1R00
T6C-003-1R00-C1
P6W-2R1A-C10-00
023-81541-0 P30R3R1B8A2A00E0
P7W-1R1B-C00-00
DG5S4-042C-T-M-U-H5-60
PVT291R1DL03CC0 029-80375-0
T6D-050-1R00-C1
P6W-2L1B-C10-00
PVB10-RSY-31-CG11
P7W-118.8 ml/rev420bar
P6W-2R5B-C10-00
023-81444-0 P6S5R1C9A2B010M0
P7W-1L1B-C00-B0
PV6-1L1D-C02-000
美***丹尼遜DENISON品牌介紹
美***丹尼遜Denison公司,DENISON葉片泵的管理要點除需防干轉和過載、防吸入空氣和吸入真空度過大外,還應注意: 泵轉向改變,則其吸排方向也改變葉片泵都有規定的轉向,不允許反。因為轉子葉槽有傾斜,葉片有倒角,葉片底部與排油腔通,配油盤上的節流槽和吸、排口是按既定轉向設計。 小型泵-0.015~0.03mm 中型泵-0.02~0.045mm 油液的溫度和粘度 般不宜超過55℃,粘度要求在17~37mm2/s之間。粘度太大則吸油困難;粘度太小則漏泄嚴重。可逆轉的葉片泵必須專門設計。 葉片泵裝配 配油盤與定子用定位銷正確定位,葉片、轉子、配油盤都不得裝反,定子內表面吸入區部分 易磨損,必要時可將其翻轉安裝,以使原吸入區變為排出區而繼續使用 。T6C葉片泵系列,T6D葉片泵系列,T6E葉片泵系列,T6CC葉片泵系列,T6DC葉片泵系列,T6EC葉片泵系列,T6DCC葉片泵系列,T7B葉片泵系列,T7D 葉片泵系列,T7E 葉片泵系列。
DENISON丹尼遜TB系列