QS-fs 風速傳感器 聚碳材質防腐防雨抗老化產品概述
本產品主要采用優質聚合物碳纖維為原材料,具有防腐、防侵蝕等特點,能夠儀器長期使用不起銹,同時配合內部順滑的軸承系統。外型小巧輕便,便于攜帶和組裝,三杯設計理念可以獲得外部環境信息。
適用范圍
可廣泛應用于溫室、環境保護、氣象站、船舶、碼頭、養殖等環境的風速測量。
工作、存儲條件
工作溫度:-40~85°C 工作濕度:0~100RH
儲存溫度:-40~125°C 儲存濕度:<80%(無凝結)
QS-fs 風速傳感器 聚碳材質防腐防雨抗老化固定方式
采用法蘭安裝方法,螺紋法蘭連接使風向傳感器下部管件牢牢固定在法蘭盤上,底盤Φ65mm,在Φ50mm的圓周上開四個均Φ6mm的安裝孔,使用螺栓將其緊緊固定在支架上,使整套儀器保持在 佳水平度,確保風向數據的準確性,法蘭連接使用方便,能夠承受較大的壓力。
技術參數
啟動風力:0.2-0.4 m/s
測量精度:±(0.3+0.03V)m/s(V表示風速示值)
信號輸出:
電壓型
量 程:0~32. 4 m/s
供電電壓:7V~24 V DC
輸出信號:0.4~2V
風速值=(輸出電壓-0.4)/1.6*32.4
供電電壓:12V~24 V DC
輸出信號:0~5 V 、1~5 V
風速值=輸出電壓/5*32.4
風速值=(輸出電壓-1)/4*32.4
電流型
量 程:0~32. 4 m/s
供電電壓:12V~24V DC
輸出信號:4~20 mA
負載能力:≤200Ω
風速值=(輸出電流-4)/16*32.4
脈沖型(霍爾)
量 程:0~60 m/s
輸出信號:脈沖(每個脈沖對應0.88m/s)
信號說明:內加上拉電阻邏輯1=VCC,邏輯0=GND
供電電壓:5V~24V DC
485型
量 程:0~32. 4 m/s
供電電壓:7V~24V DC
通信協議:Modbus-RTU
設備功耗:<15mA
防護等 :IP66
上電響應時間:2s
探頭線長:1.5米
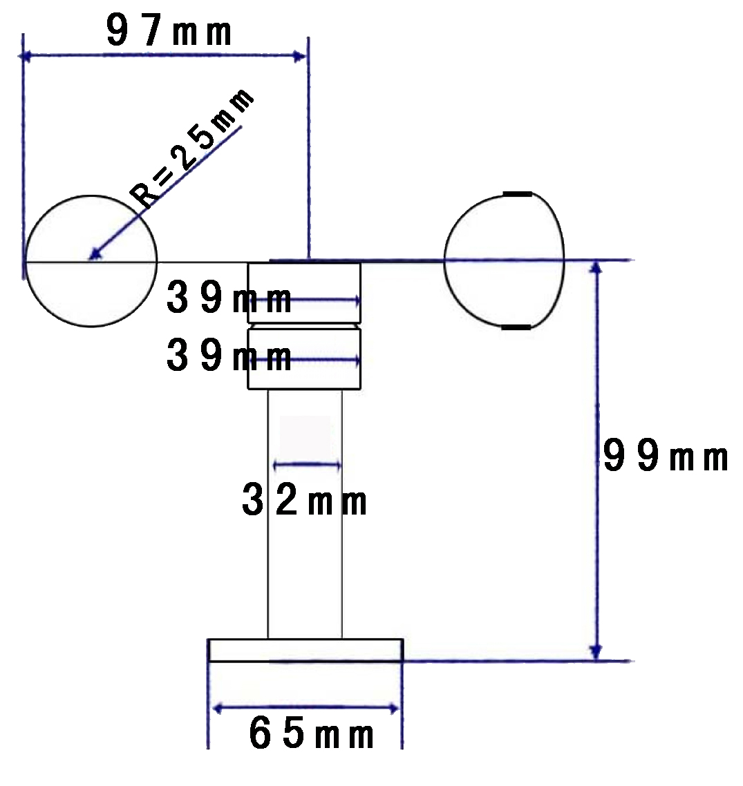
尺寸、重量
外型尺寸:如下圖

整機重量:98g
本文內容為清易公司宣傳使用