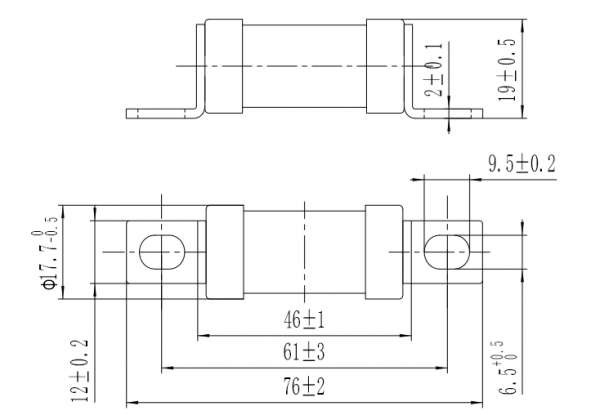
中熔熔斷器RS308-HB-4G 產品基本資料
● 螺栓連接式快速熔斷器,性能參考IEC60269,環境可靠性符合ISO8820、JASO D622、GB/T31465.
● 分斷能力:DC50KA,時間常數<11ms
● 額定電流:10A~100A

● 符合歐盟RoHS指令
● 額定電壓:750VDC
● 使用類別:aR
中熔熔斷器RS308-HB-4G型號參數
RS308-HB-2H32A 690VAC/550VDC
RS308-HB-2H40A 690VAC/550VDC
RS308-HB-2H50A 690VAC/550VDC
RS308-HB-2H63A 690VAC/550VDC
RS308-HB-2H80A 690VAC/550VDC
RS308-HB-2H100A 690VAC/550VDC
RS308-HB-2H125A 690VAC/550VDC
RS308-HB-2H160A 690VAC/550VDC
RS308-HB-2H200A 690VAC/550VDC
本系列產品為圓管螺栓連接式具有強限流能力、短路分斷速度 快,高分斷能力、等特點,同時可耐受溫度沖擊、化學負荷、電流沖擊、機械振動/沖擊,

運輸、存儲 運輸 包裝箱運輸過程中應避免雨雪侵襲和機械損傷。 存儲 產品存儲溫度:-40℃~70℃。在40℃時相對濕度不大于70%,30℃時相對濕度不大于80%,在20℃以下, 相對濕度不大于90%。 包裝存儲溫度:-40℃~70℃。在40℃時相對濕度不大于40%,30℃時相對濕度不大于50%,在20℃以下, 相對濕度不大于70%。
防火,防水,避免箱體接觸液態水。 防止尖銳物體刺入,損傷箱體。
包裝箱裝卸時落體高度不大于0.6m。應以平面承受沖擊能量,避免箱角或棱線承受沖擊能量。 避免接觸腐蝕物質、氣體。 使用條件
熔斷器在下述的正常使用條件下工作,不需要額外的修正。 超過正常使用條件時,如果在允許使用條件范圍內,可能需要修正 些參數或咨詢。如果超過允許使用 條件的范圍,應咨詢我公司,并進行條件的工作適應性評估和測試。
如您要采購中熔熔斷器,請聯系西安中熔銷售人員