
高、低壓氣體計量

Elster-instromet的SM-RI-X型氣體渦輪流量計是 款能接受苛刻使用條件的可靠耐用的流量計產品,幾十年來的應用已充分證明其在氣體流量計量方面具有 高精度和使用可靠的特點。
Elster-instromet的SM-RI-X型氣體渦輪流量計以其優良的計量性能和長周期穩定性而成為專用計量設備,廣泛應用于天然氣貿易輸送計量場合,如用于分輸站和作為標準表使用。
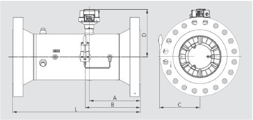
工作原理:氣體流經流量計推動渦輪葉片旋轉。渦輪的轉數與流經流量計的氣體體積有固定的比例關系。內置整流器,能夠消除任何可能的擾流,如渦流或不對稱流。
當氣體流經整流器后,流速增加,從而作用在渦輪葉片上的推動力也增加。使得流量計在允許的誤差范圍內可進行高精度計量,即使在小流量也可以準確計量。葉片的傳動軸配有高強度的球軸承。
渦輪葉片的旋轉經齒輪組減速后,通過裝在蝸桿上磁耦合機構傳給固定在無壓表頭內的8位機械計數器。氣體通過渦輪葉片后,流經 個特殊設計的出口通道,使得壓力得以恢復,壓損很小。
符合標準:Elster-instromet的SM-RI-X型渦輪流量計是根據DIN EN ISO 9001:2000和DIN EN ISO 14001標準要求生產的。渦輪流量計的設計、生產和測試遵循下列導則、標準和規范的規定:
—EC導則97/23/EC關于壓力設備
—EC導則94/9/EC關于防爆
—EC導則71/318/EC關于氣體流量計
—現行的德***和歐洲標準(如EN 12261,AD2000)
—OIML R32條款
—ISO9951
我們生產的所有流量計都由 機構PTB和NMI認可的標定裝置進行標定。也可以提供根據PED要求進行壓力測試和強度測試的測試證書。
材料:渦輪流量計的殼體材料為GGG-40(球墨鑄鐵)或鋼,符合安全標準并防火(HTB)。

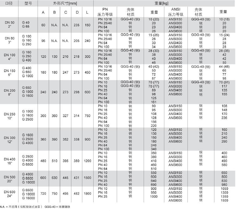
*型號G40-16000
*流量范圍8-25000m3/h
*口徑 DN50-600(2”-24”)
*壓力等 PN10-100和ANSI 150-600(其它壓力等 請咨詢客服)
*溫度范圍 -10℃~+65℃(其它溫度范圍請咨詢客服)
*安裝緊湊,進口直管段L≥2DN
*表體長度3DN
*獲得EC和各***認證(如PTB、NMI),中***批準證書
*適用介質:天然氣,石油氣,城市煤氣,丁烷,空氣,氮氣,其它氣體請咨詢客服
*測溫套筒內置在表體上(可選項)
*配置高頻脈沖發生器(可選項)
*Absolute-ENCODER S1 計數器(可選項)
*自動油潤滑系統(可選項)










