XLCS-7800立式旋流沉砂池除污器
價 格:詢價
產 地:更新時間:2021-07-01 10:20
品 牌:其他型 號:XLCS-7800
狀 態:正常點擊量:2659
400-006-7520
聯系我時,請說明是在上海非利加實業有限公司上看到的,謝謝!
聯 系 人:
上海非利加實業有限公司
電 話:
400-006-7520
傳 真:
400-006-7520
配送方式:
上海自提或三方快遞
聯系我時請說在上海非利加實業有限公司上看到的,謝謝!
XLCS-7800立式旋流沉砂池除污器
特點:
1、占地面積小;
2、沉積效果受水量變化影響很小,砂水分離效果好,分離出的砂子含水率低,有機物含量少,便于運輸;
3、操作方便,維護簡單,壽命長;
4、鼓風機采用***外技術,噪音低;對周圍環境影響小,衛生條件好。
產品參數
XLCS-7800立式旋流沉砂池除污器
型號表示方式:

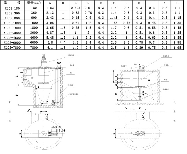
技術參數及外形尺寸:

產品介紹
XLCS-7800立式旋流沉砂池除污器
工作原理:
旋流沉砂池不銹鋼除砂機1800由葉輪、傳動軸、電機、減速器和吸砂系統組成。由于葉輪槳板向上傾斜,旋轉時使池中污水作螺旋運動,加上因污水切向進入,產生與葉輪旋向*的旋流,池中的污水形成渦螺流態。在適當的葉槳傾角和線速度條件下,污水中的砂粒將受到沖刷并仍保持佳的沉降效果,而原來附著在砂粒上的有機物以及重度小的物質將隨污水***同流出旋流池。另外,由于葉輪旋轉,減少了旋流池因進水量變化導致流態變化的敏感程度,保證了沉砂池穩定、出砂的有機成分含量低等特點。